今天想測試一下RD3A 和 WR3A指令
發現奇怪的事了,當使用電流模式的時候,FX2N-2AD收到20MA時,出來的值是2000多點
可是手冊上明明寫的是4000-4095
我的程序是這樣寫的:

硬件配置是FX3U-16MR/ES-A + FX2N-2DA + FX2N-2AD
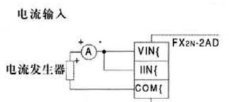
接線是 2DA的IOUT 接 2AD的VIN+IIN, COM接COM
手冊上2DA:
手冊上2AD:

PLC肯定是正版的,我把主機,2AD,2DA都換過了。線也換過了。用萬用表量了,2DA在4000時有20MA。
[ 此帖被菜鳥入行在2020-11-06 19:28重新編輯 ]